電動閥門
電壓:AC 220V DC 24V
規格:1/2"--4"(DN15-DN100 / 20mm—110mm)
標準:DIN/ANSI/JIS/CNS
工作壓力: 150 PSI
操作溫度: PVC(0~55℃); CPVC & PP(0~95℃)
材質: PVC, CPVC, PP
連接: 插口, 螺紋(NPT,PT,BSPF), 熔接, 焊接
優點
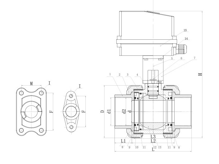
球閥閥體均用高精度數控機床加工成型,確保產品精度。
球閥閥體與閥桿裝配的孔均采用高級鏜孔機精密加工,確保其密封性。
球閥每個球體均先用數控機床車削,使球體圓度控制在0.05mm以內,再采用專用研磨機研磨,確保球閥在開關時順暢且不用太費力,確保不易泄漏。
球閥的每個止瀉環都依球體的圓度進行車削和拋光,使其與球體緊密結合,增長其使用壽命,并確保其密封性。
每個產品的平承部份均用高精度數控車床車加工,確保平承與“○”型圈的緊密結合。
為了使特帕和“○”型圈能確實壓緊,殘留在調整座上的注塑澆口,每個都用砂輪機磨平。
|
序號 |
名稱 |
材質 |
數量 |
單位 |
|
3\4\8\9 |
oring圈 |
EPDM∕VITON |
7 |
pcs |
|
01 |
平承口 |
UPVC∕CPVC∕PPH |
2 |
pcs |
|
02 |
螺帽 |
UPVC∕CPVC∕PPH |
2 |
pcs |
|
05 |
轉接頭 |
SUS304 |
1 |
pcs |
|
06 |
桿 |
UPVC∕CPVC∕PPH |
1 |
pcs |
|
07 |
支架 |
UPVC/ SUS304 |
1 |
pcs |
|
10 |
內襯 |
UPVC∕CPVC∕PPH |
1 |
pcs |
|
11 |
止瀉環 |
PTFE |
2 |
pcs |
|
12 |
球 |
UPVC∕CPVC∕PPH |
1 |
pcs |
|
13 |
本體 |
UPVC∕CPVC∕PPH |
1 |
pcs |
|
14 |
螺絲 |
SUS304 |
6-8 |
pcs |
|
15 |
電動頭 |
SUS304 |
1 |
pcs |
UNIT:MM
|
SIZE |
D |
D1 |
D2 |
|
ANSI |
DIN |
JIS |
CNS |
ANSI |
DIN |
JIS |
CNS |
|
1/2"(15) |
15 |
21.40 |
20.25 |
22.30 |
22.40 |
21.25 |
20.05 |
21.85 |
21.90 |
|
3/4"(20) |
20 |
26.75 |
25.25 |
26.30 |
26.40 |
26.58 |
25.05 |
25.85 |
25.90 |
|
1"(25) |
25 |
33.52 |
32.25 |
32.33 |
34.50 |
33.28 |
32.05 |
31.85 |
33.90 |
|
1-1/4"(32) |
32 |
42.28 |
40.25 |
38.43 |
42.50 |
42.05 |
40.05 |
37.85 |
41.90 |
|
1-1/2"(40) |
40 |
48.40 |
50.25 |
48.46 |
48.60 |
48.12 |
50.05 |
47.75 |
47.90 |
|
2"(50) |
50 |
60.45 |
63.25 |
60.56 |
60.60 |
60.18 |
63.05 |
59.75 |
59.90 |
|
2-1/2"(65) |
63 |
73.30 |
75.25 |
76.60 |
76.70 |
72.85 |
75.05 |
75.87 |
75.90 |
|
3"(80) |
75 |
89.25 |
90.35 |
89.60 |
89.70 |
88.70 |
90.05 |
88.83 |
88.90 |
|
4"(100) |
90 |
114.60 |
110.35 |
114.70 |
115.00 |
114.10 |
110.05 |
113.98 |
113.80 |
UNIT:MM
|
SIZE |
D |
L |
L1 |
L2 |
L3 |
H |
F |
M |
I |
Operating torque(N.M) |
|
1/2"(15) |
54.00 |
106.00 |
23.00 |
60.00 |
52.00 |
148.00 |
31.00 |
- |
M6 |
2.0 |
|
3/4"(20) |
63.00 |
114.00 |
26.00 |
62.00 |
54.00 |
153.00 |
33.00 |
- |
M6 |
2.5 |
|
1"(25) |
73.50 |
128.00 |
29.00 |
70.00 |
62.00 |
184.00 |
40.00 |
- |
M6 |
4.0 |
|
1-1/4"(32) |
84.50 |
144.00 |
33.00 |
78.00 |
70.00 |
190.00 |
52.00 |
- |
M8 |
5.0 |
|
1-1/2"(40) |
98.00 |
158.50 |
35.50 |
87.50 |
79.50 |
196.00 |
52.00 |
- |
M8 |
7.5 |
|
2"(50) |
118.00 |
172.00 |
38.50 |
95.00 |
85.00 |
245.00 |
70.00 |
- |
M8 |
8.5 |
|
2-1/2"(65) |
150.00 |
278.00 |
64.50 |
144.50 |
132.50 |
287.00 |
84.00 |
45.00 |
M10 |
13 |
|
3"(80) |
169.00 |
310.00 |
70.00 |
166.00 |
150.00 |
296.00 |
84.00 |
45.00 |
M10 |
16 |
|
4"(100) |
190.00 |
352.00 |
84.00 |
181.00 |
157.00 |
330.00 |
121.00 |
49.00 |
M12 |
25 |